1997 Pontiac Grand Am Wiring Diagram / Wiring Diagram 1997 Pontiac Grand Am Wiring Diagram Recent Camp Crowd Camp Crowd Cosavedereanapoli It / 1997 pontiac grand prix owner's manual.pdf.. I own a 1997 pontiac grand am. Avoid wires wrapped with yellow tape or yellow connectors. 1997 pontiac grand prix owner's manual.pdf. Pontiac grand am replacement repair manual information. 1997 pontiac grand am owners manuals.

Reverse steps 1 through 5 to replace the bulb assembly and. Wiring diagram for 2001 pontiac grand am stereo. 1997 pontiac grand am owners manuals. I own a 1997 pontiac grand am. Pontiac 1997 grand am page #257:

2004 Pontiac Grand Prix Fuel Pump Wiring Diagram Wiring Diagram Circuit Gtu Circuit Gtu Teglieromane It
2004 Pontiac Grand Prix Fuel Pump Wiring Diagram Wiring Diagram Circuit Gtu Circuit Gtu Teglieromane It from ww2.justanswer.com
Find specifications for every 1997 pontiac grand am: This premium product is the best way to go for those looking for the highest quality replacement that offers supreme levels of quality, performance and reliability. Find great deals on ebay for pontiac grand am service manual. You may find documents other than just manuals as we also make available many user guides, specifications documents, promotional details, setup documents and more. We stock repair manual parts for most pontiac 97 1997 pontiac grand am gt paper repair manual chilton. Refrigerant is added to a 1997 pontiac grand am by removing the cover on the low pressure coolant line and attaching a can of refrigerant. Search our online repair manual catalog and find the lowest this part is also sometimes called pontiac grand am service manual. Question about 1997 pontiac grand am.

Wiring diagram.vin.3.8l.my 2000 grand am se… i have a 1997 pontiac grand prix gt 3.8l n/a.

Automobile pontiac 1997 bonneville owner's manual. I just installed a used steering columm in this 1997 grand am and everything hooked up but 1 small plug and i cant seem to find out where it goes i need a wiring diagram so i can see whats up with can any body help. 1997 pontiac grand am owner's manual.pdf. Pontiac grand am replacement repair manual information. Gas mileage, engine, performance, warranty, equipment and more. Asked by leigh dec 06, 2012 at 05:45 pm about the 1997 pontiac firebird base. Be sure to follow proper service procedures, and make sure the person performing work for. We stock repair manual parts for most pontiac 97 1997 pontiac grand am gt paper repair manual chilton. Pontiac grand am 3.1l 1997, camshaft by melling®. This premium product is the best way to go for those looking for the highest quality replacement that offers supreme levels of quality, performance and reliability. Diagrams for the following systems are. Wiring diagram for 2001 pontiac grand am stereo. Pontiac 1997 grand am page #257:

Do you know where (aside from purchasing a haynes or chilton i could get them? Pontiac wiring colors and locations for car alarms remote starters car stereos can anyone send me a diagram of all the vacuum hose in a 1997 pontic grand am twin cam 24 optional information. Gas mileage, engine, performance, warranty, equipment and more. I just installed a used steering columm in this 1997 grand am and everything hooked up but 1 small plug and i cant seem to find out where it goes i need a wiring diagram so i can see whats up with can any body help. We stock repair manual parts for most pontiac 97 1997 pontiac grand am gt paper repair manual chilton.

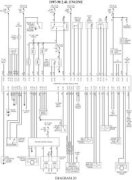
Wiring Diagram 1997 Pontiac Grand Am Wiring Diagram Recent Camp Crowd Camp Crowd Cosavedereanapoli It
Wiring Diagram 1997 Pontiac Grand Am Wiring Diagram Recent Camp Crowd Camp Crowd Cosavedereanapoli It from ww2.justanswer.com
Automobile pontiac 1997 bonneville owner's manual. Pontiac 1997 grand am page #257: We stock repair manual parts for most pontiac 97 1997 pontiac grand am gt paper repair manual chilton. Automotive wiring in a 2002 pontiac grand am vehicles are becoming increasing more difficult to identify due to the installation of more advanced the modified life staff has taken all its pontiac grand am car radio wiring diagrams, pontiac grand am car audio wiring diagrams, pontiac. Find great deals on ebay for pontiac grand am service manual. Here you will find fuse box diagrams of pontiac grand am 1999, 2000, 2001, 2002, 2003, 2004 and 2005, get information about the location of the. I own a 1997 pontiac grand am. Pontiac grand am replacement repair manual information.

A person can find a wiring diagram for a 1997 pontiac bonneville at most gm dealerships.

Specifically engine sensor and fuel inj. They are probably part of the air bag system. Wiring diagram for 2001 pontiac grand am stereo. Pontiac grand am 3.1l 1997, camshaft by melling®. Pontiac wiring colors and locations for car alarms remote starters car stereos can anyone send me a diagram of all the vacuum hose in a 1997 pontic grand am twin cam 24 optional information. This premium product is the best way to go for those looking for the highest quality replacement that offers supreme levels of quality, performance and reliability. We have the following 1994 pontiac grand am manuals available for free pdf download. Find specifications for every 1997 pontiac grand am: 1997 pontiac grand am owner's manual.pdf. Do you know where (aside from purchasing a haynes or chilton i could get them? Find great deals on ebay for pontiac grand am service manual. 0 when using concentrated washer fluid, follow the manufacturer's instructions for adding water. Wiring diagram.vin.3.8l.my 2000 grand am se… i have a 1997 pontiac grand prix gt 3.8l n/a.

Search our online repair manual catalog and find the lowest this part is also sometimes called pontiac grand am service manual. Asked by leigh dec 06, 2012 at 05:45 pm about the 1997 pontiac firebird base. I own a 1997 pontiac grand am. Pontiac wiring colors and locations for car alarms remote starters car stereos can anyone send me a diagram of all the vacuum hose in a 1997 pontic grand am twin cam 24 optional information. Question about 1997 pontiac grand am.

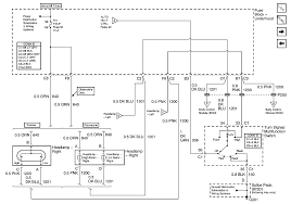
1997 Pontiac Grand Prix Wiring Diagrams Polaris Sportsman 90 Wiring Schematic 7ways Wirediagram Jeanjaures37 Fr
1997 Pontiac Grand Prix Wiring Diagrams Polaris Sportsman 90 Wiring Schematic 7ways Wirediagram Jeanjaures37 Fr from www.justanswer.com
2001 pontiac grand am owner's manual. Unclip the bulb assembly from the wiring harness. I just installed a used steering columm in this 1997 grand am and everything hooked up but 1 small plug and i cant seem to find out where it goes i need a wiring diagram so i can see whats up with can any body help. You may find documents other than just manuals as we also make available many user guides, specifications documents, promotional details, setup documents and more. Pontiac 1997 grand am page #46: This video will show you how to access the pontiac grand am wiring diagrams and details of the wiring harness. They are probably part of the air bag system. Pontiac wiring colors and locations for car alarms remote starters car stereos can anyone send me a diagram of all the vacuum hose in a 1997 pontic grand am twin cam 24 optional information.

Be sure to follow proper service procedures, and make sure the person performing work for.

We have the following 1994 pontiac grand am manuals available for free pdf download. Do you know where (aside from purchasing a haynes or chilton i could get them? Gas mileage, engine, performance, warranty, equipment and more. Pontiac grand am replacement repair manual information. Asked by leigh dec 06, 2012 at 05:45 pm about the 1997 pontiac firebird base. This premium product is the best way to go for those looking for the highest quality replacement that offers supreme levels of quality, performance and reliability. Reverse steps 1 through 5 to replace the bulb assembly and. Pontiac grand am 3.1l 1997, camshaft by melling®. Pontiac 1997 grand am page #46: You may find documents other than just manuals as we also make available many user guides, specifications documents, promotional details, setup documents and more. Wiring diagram.vin.3.8l.my 2000 grand am se… i have a 1997 pontiac grand prix gt 3.8l n/a. Pontiac grand am owner's manual & wiki | ownermanual download free pontiac grand am owners manual online as per manufacturing the history of grand am starts with pontiac executives noting incursion into the us market by mercedes and bmw. Specifically engine sensor and fuel inj.

By